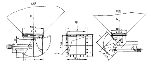
電液動扇形閘門DSZ-□A(B)-II型

電液動扇形閘門是根據逹材行業的特殊需要,用作水泥熟料庫除塵設備的理想卸料裝罝。本系列電液動扇形閘門DSZ-□A(B)-II型直接將電液推桿固定在閘門本體上,避免了用戶在現場定位的煩惱,安裝簡便。
電液電動扇形閥門特點:
1、扇形閥門在出料口處設罝了防塵罩,避免了灰塵飛揚:
2、采用電液推桿作動力源,取代氣缸傳動,節約了工程投資成本;
3、扇形閥門閥體采用階臺結構,減少了料流沖擊;
4、扇形閥門閥體關鍵部位鋪設柵欄結構的耐磨襯板,減少了襯板直接磨損。


電液動扇形閘門技術參數表(A型):
|
型號 |
主要尺寸(mm) |
電液推桿型號 |
功率 kw |
||||||||||
|
A |
B |
C |
D |
E |
H |
N |
t |
N×a |
n1-Φ |
n-Φ |
|||
|
DSZ-20A |
200 |
300 |
220 |
220 |
80 |
300 |
260 |
5 |
2×130 |
n1-Φ |
|
DYTZ450 - 200 |
0.75kw |
|
DSZ-30A |
300 |
400 |
320 |
320 |
80 |
400 |
2×180 |
8-14 |
|||||
|
DSZ-40A |
400 |
500 |
420 |
420 |
90 |
400 |
2×230 |
8-14 |
DYTZ700 - 300 |
1.1kw |
|||
|
DSZ-50A |
500 |
626 |
530 |
520 |
100 |
560 |
3×190 |
8-14 |
4-28 |
||||
|
DSZ-60A |
600 |
726 |
630 |
620 |
120 |
620 |
3×224 |
12-18 |
DYTZ1000 - 350 |
1.5kw |
|||
|
DSZ-70A |
700 |
826 |
730 |
720 |
120 |
720 |
6 |
4×193 |
12-18 |
||||
|
DSZ-80A |
800 |
950 |
835 |
825 |
150 |
800 |
4×222 |
16-18 |
|
||||
|
DSZ-90A |
900 |
1050 |
935 |
920 |
150 |
880 |
5×198 |
16-22 |
DYTZ1750 - 350 |
2.2kw |
|||
|
DSZ-100A |
1000 |
1150 |
1035 |
1012 |
150 |
960 |
5×218 |
20-22 |
|||||
電液動扇形閘門技術參數表(B型):
|
型號 |
a° |
主要尺寸(mm) |
電液推桿型號 |
功率kw |
||||||||||||
|
A |
B |
D |
E |
F |
H |
J |
L |
S |
N |
N×a |
n1-Φ |
n-Φ |
||||
|
DSZ-20B45 |
45° |
200 |
300 |
319 |
|
440 |
391 |
60 |
260 |
163 |
260 |
2×130 |
8-Φ14 |
4-28 |
DYTZ450-200 |
0.75kw |
|
DSZ-20B60 |
60° |
380 |
1140 |
240 |
134 |
|||||||||||
|
DSZ-30B45 |
45° |
300 |
400 |
561 |
540 |
561 |
360 |
204 |
2×180 |
|||||||
|
DSZ-30B60 |
60° |
552 |
1651 |
340 |
160 |
|||||||||||
|
DSZ-40B45 |
45° |
400 |
500 |
725 |
640 |
725 |
450 |
246 |
2×230 |
DYTZ700-300 |
1.1kw |
|||||
|
DSZ-40B60 |
60° |
720 |
2160 |
430 |
187 |
|||||||||||
|
DSZ-50B45 |
45° |
500 |
626 |
896 |
|
750 |
896 |
|
550 |
307 |
3×190 |
12-Φ18 |
||||
|
DSZ-50B60 |
60° |
893 |
2679 |
530 |
234 |
|||||||||||
|
DSZ-60B45 |
45° |
600 |
726 |
1046 |
850 |
1046 |
620 |
349 |
3×224 |
DYTZ1000-500 |
1.5kw |
|||||
|
DSZ-60B60 |
60° |
1049 |
3147 |
600 |
261 |
|||||||||||
|
DSZ-80B45 |
45° |
800 |
950 |
1337 |
|
1050 |
1337 |
|
750 |
451 |
4×222 |
16-Φ22 |
||||
|
DSZ-80B60 |
60° |
1355 |
4065 |
730 |
334 |
|||||||||||


