ZFX-H錐形鎖風閥
一、結構特點及用途:
ZFX-H錐形鎖風閥采用優質鋼材焊接而成,運行靈活、密閉性好、性能可靠,具有自動鎖風落料的功效。特別適用于無粘度的固體粉料,細小顆粒料,晶體料的輸送與調節。 錐形鎖風閥廣泛適用于建材、冶金、礦山、煤炭、化工、熱電等行業,用于物料輸送的自動調節及控制,防止野風的進入,確保系統正常運行。
二、性能優勢:
1、該閥采用優質鋼板焊接而成,其強度高,使用壽命長。
2、該閥采用錐形鎖風方式,因而鎖風面具有可調性,性能可靠。
3、該閥結構簡單,使用維修方便。
4、具有自動鎖風、落料的功能,落料的頻率依據工況要求,通過調整彈簧力來實現。
三、工作原理:
ZFX-H錐形鎖風閥主要由殼體、錐形帽、頂針、閥桿、重錘、彈簧等零件組成,采用鋼板焊接結構,設計新穎,結構簡單。錐形鎖風閥利用力矩平衡的方法實現卸灰。當作用于翻板上的物料產生的力矩大于重錘搖桿產生的力矩時,閥板打開向下卸灰。一旦積灰卸去后,重錘與搖桿產生的力矩使閥板迅速關閉,實現鎖氣。落料的頻率及卸灰量依據工況需要來調整重錘位置。

四、性能參數
.jpg)
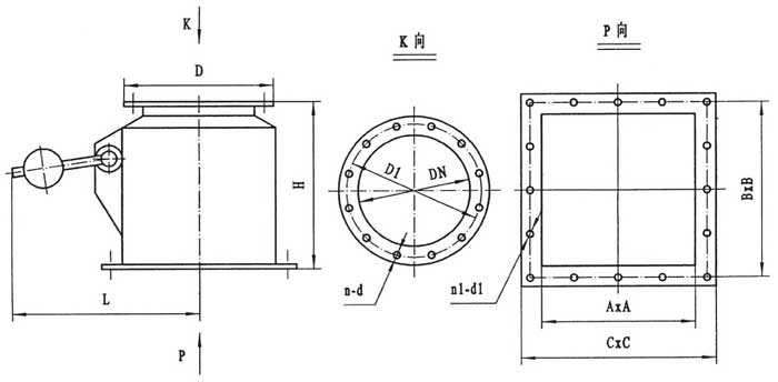
五、外形圖
.jpg)
六、外形連接尺寸
.jpg)
七、使用說明
安裝時請注意閥體上標注介質流向,兩法蘭連接時必需加密封墊片,然后均勻鎖緊螺栓。
設備在運行時,請定期給傳動部分加潤滑油。
若長期存放應使設備處于關閉狀態,各傳動部位加潤滑油,不允許露天存放或堆置。
八、訂貨須知
選用訂貨時,請參照產品樣本注明產品規格、型號及技術參數(使用溫度、設備工況、介質性質等)。
選用訂貨時,若未注明客戶選用電裝代號的按我公司基本型配置,其基本型為普通型裝置,不帶任何有關特殊要求及相關配件。
表格中未列規格、用于特殊介質或其它特殊要求,請與我公司經銷部、技術部聯系,可為您另行設計、制造。


